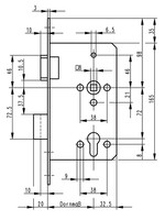
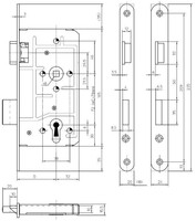
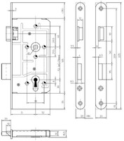
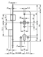
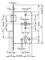
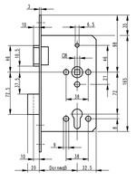
Variante: TOPFORM Objektschloss WC stumpf; Edelstahl, abgerundet (KL. 3)
Marke: Sächsische Schlossfabrik
Sächsische Schlossfabrik
Sächsische Schlossfabrik
Ihr Suchergebnis besteht aus diesen 6 Artikeln (kann ähnliche Treffer enthalten)…
Ihr Suchergebnis besteht aus diesen 6 Artikeln (kann ähnliche Treffer enthalten)…