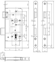
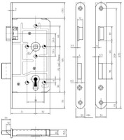
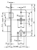
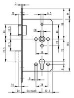
Variante: TOPFORM Objektschloss PZW stumpf; Edelstahl, abgerundet (KL. 3)
Marke: Sächsische Schlossfabrik
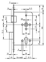
Sächsische Schlossfabrik
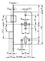
Sächsische Schlossfabrik
Ihr Suchergebnis besteht aus diesen 6 Artikeln (kann ähnliche Treffer enthalten)…
Ihr Suchergebnis besteht aus diesen 6 Artikeln (kann ähnliche Treffer enthalten)…