Nur für Gewerbetreibende

Wir haben vom 24.12. bis 02.01.2026 geschlossen - Shop-Bestellungen werden ab dem 05.01.2026 wieder bearbeitet.

Abbildung ähnlich
Woelm

Türfeststeller zum Aufschrauben Alu weiß

KWS065-06 4041518130533 1010.72
auf Anfrage
je 1 St
keine Verfügbarkeitsinformationen

Verpackungseinheiten

1 St

Verkaufsdaten

Mindestbestellmenge 1 St
Bestellschritt 1 St

Zubehörempfehlung für Sie:

Beschreibung

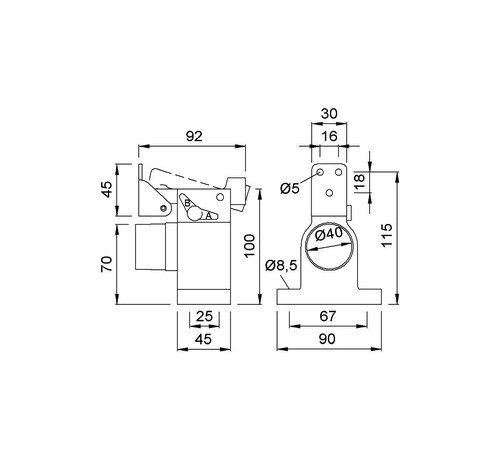
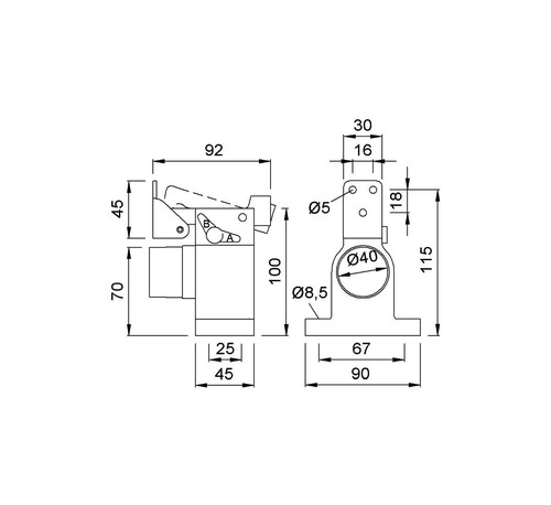
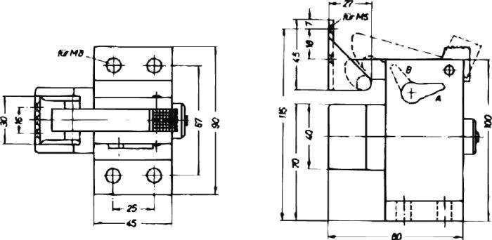
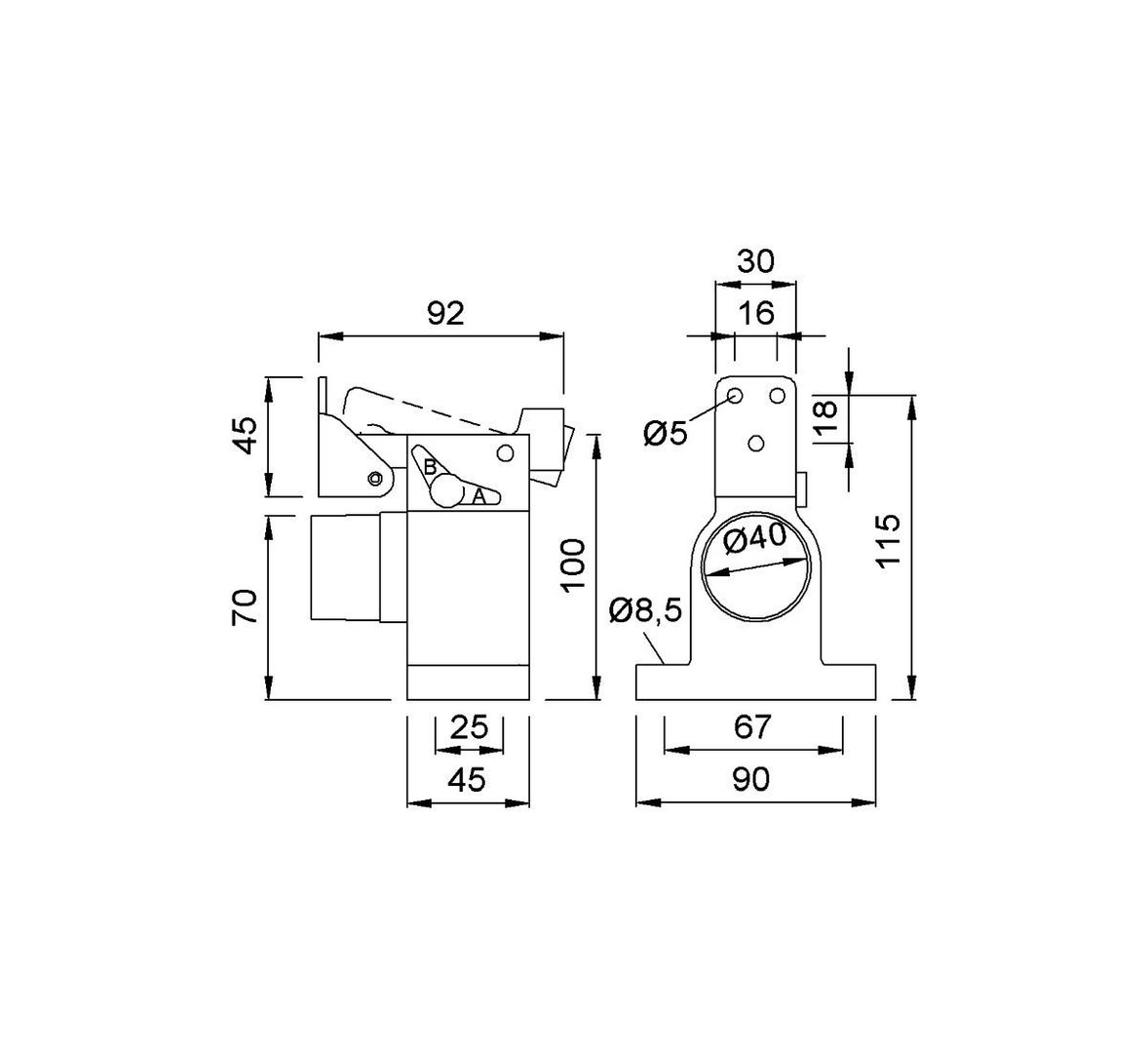
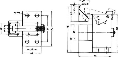
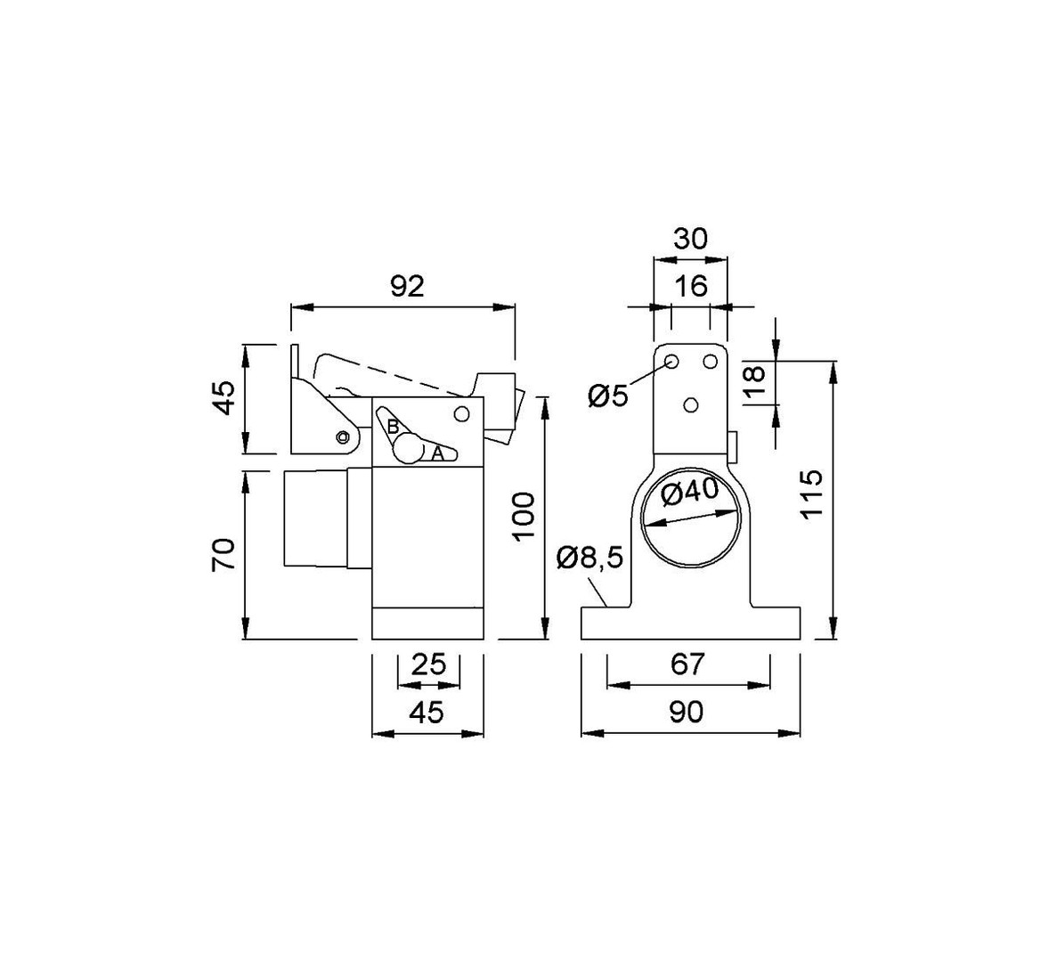
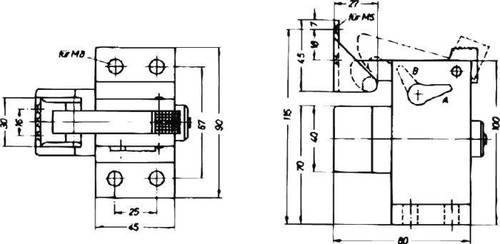
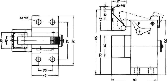
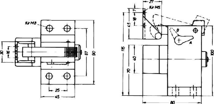
Aluminium silberfarbig einbrennlackiert, Rollenkloben aus Stahl, Ausschalthebel zur Aufhebung der Feststellfunktion



Eigenschaften

1010..

zum Aufschrauben

Gummipuffer in schwarz, gefedert

Funktion

Zum Arretieren wird die Tür bis zum Einrasten des Fanghakens gegen den Feststeller geführt, Lösen erfolgt durch Betätigen des Fanghakens bei gleichzeitigem Andrücken der Tür gegen den Feststeller. Der Ausschalthebel, von Stellung A nach B (siehe Zeichnung) gebracht, bewirkt ein Aufheben der Arretierung. Der Feststeller hat so nur noch die Funktion eines gefederten Puffers.

Montage

Am gewünschten Feststellpunkt, der größtmöglichen Abstand zum Türband haben soll, Feststeller mit vier Schrauben und einzulassenden Dübeln auf den Boden schrauben und an entsprechender Stelle den Rollenkloben an der Tür befestigen.

Verwendung

Max. Türgewicht ca. 100 kg



Bestellhinweis

Abbildung zeigt Artikel in Aluminium silberfarbig eloxiert (.31)

Merkmale

Rollenkloben Stahl
Breite (mm) 90 mm
Höhe (mm) 100 mm
Länge (mm) 92 mm
Befestigungsart zum Aufschrauben
Oberfläche weiß
WhatsApp
Mail
Anrufen