Nur für Gewerbetreibende

Abbildung ähnlich
TOPFORM

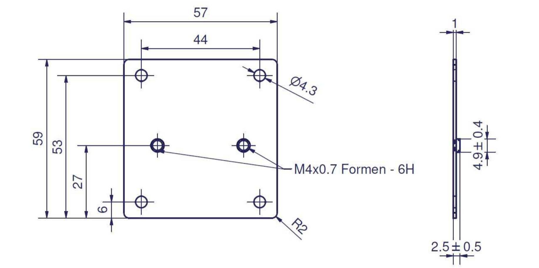
TOPFORM Reparaturplatte 1 - für Blum Montageplatte - Gewinde 2xM4

TMO224-096 4048436221183 221183
auf Anfrage
je 1 St
keine Verfügbarkeitsinformationen

Verpackungseinheiten

1 St

Verkaufsdaten

Mindestbestellmenge 1 St
Bestellschritt 1 St

Beschreibung

TOPFORM Reparaturplatte 1 - für Blum Montageplatte - Gewinde 2xM4

Merkmale

Ausführung für Blum Montageplatte - Gewinde 2xM4
WhatsApp
Mail
Anrufen