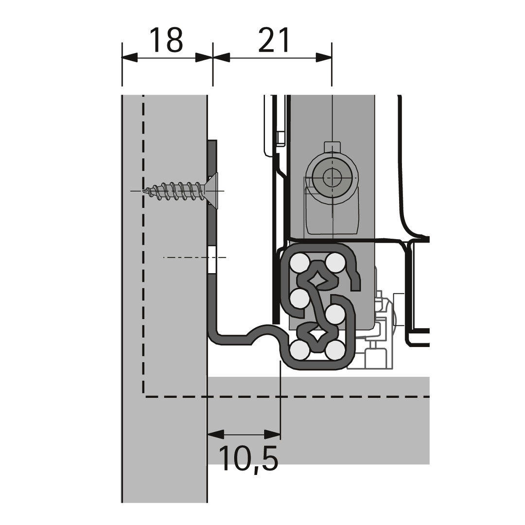
HETTICH Quadro V6 Silent System, 520 mm, EB 10,5 (Korpusseitendicke 18 mm), Belastbarkeit 30 kg, rechts
4023149092930
4023149092930
9237610
auf Anfrage
je 100 St
keine Verfügbarkeitsinformationen
Verpackungseinheiten
| 20 St |
Funktionen
Verkaufsdaten
| Mindestbestellmenge | 20 St |
| Bestellschritt | 20 St |
Beschreibung
• Vollauszug
• Mit integriertem Dämpfungssystem Silent System
• Belastbarkeit nach EN 15338 Level 3
• Aufschiebemontage
• Stahl verzinkt
• Mit integriertem Dämpfungssystem Silent System
• Belastbarkeit nach EN 15338 Level 3
• Aufschiebemontage
• Stahl verzinkt
Merkmale
| Ausführung | EB 10,5 (Korpusseitendicke 18 mm), Belastbarkeit 30 kg, rechts |
| Führungsart | Verdeckte Führung |
| Auszugart | Vollauszug |
| Komforteigenschaften | Silent System |
| Lochabstand b1 mm | 256 mm |
| Nennlänge mm | 520 mm |
| Anschlagseite | rechts |
| Einbaubreite / Korpusseitendicke | EB 10,5 (Korpusseitendicke 18 mm) |
| Einbaubreite EB mm | 10,5 |
| Komponenten | Auszugsführungen |